企业简介
广发(中国)概览
智能制造
测试中心
知识产权
国家标准
广发(中国)资质
典型用户
广发(中国)文化
领导关怀
广发(中国)荣誉
社会贡献
人大履职
重要新闻
员工之家
广发(中国)党建
产品中心
产品订制
新闻动态
大事记
经典案例
常见问题
资料下载
智能客服
人才理念
人才招聘
联系方式
物资招标
在线留言
试用申请
English
NHR-X33系列导轨式智能配电器
NHR-X32系列导轨式智能温度变送器
导轨式智能配电器
智能配电器
NHR-X33系列
广发(中国)组态软件
广发(中国) HRStudio 组态软件采用开放式密钥,无点数限制;凡购买广发(中国)带有 RS485/232、以太网通讯功能的仪表,单笔订单满 3800 元,即免费赠送HRStudio 组态软件及对应密钥;若您在组态过程中有任何疑问,我们提供专业远程协助。
OHR-B00信号发生器
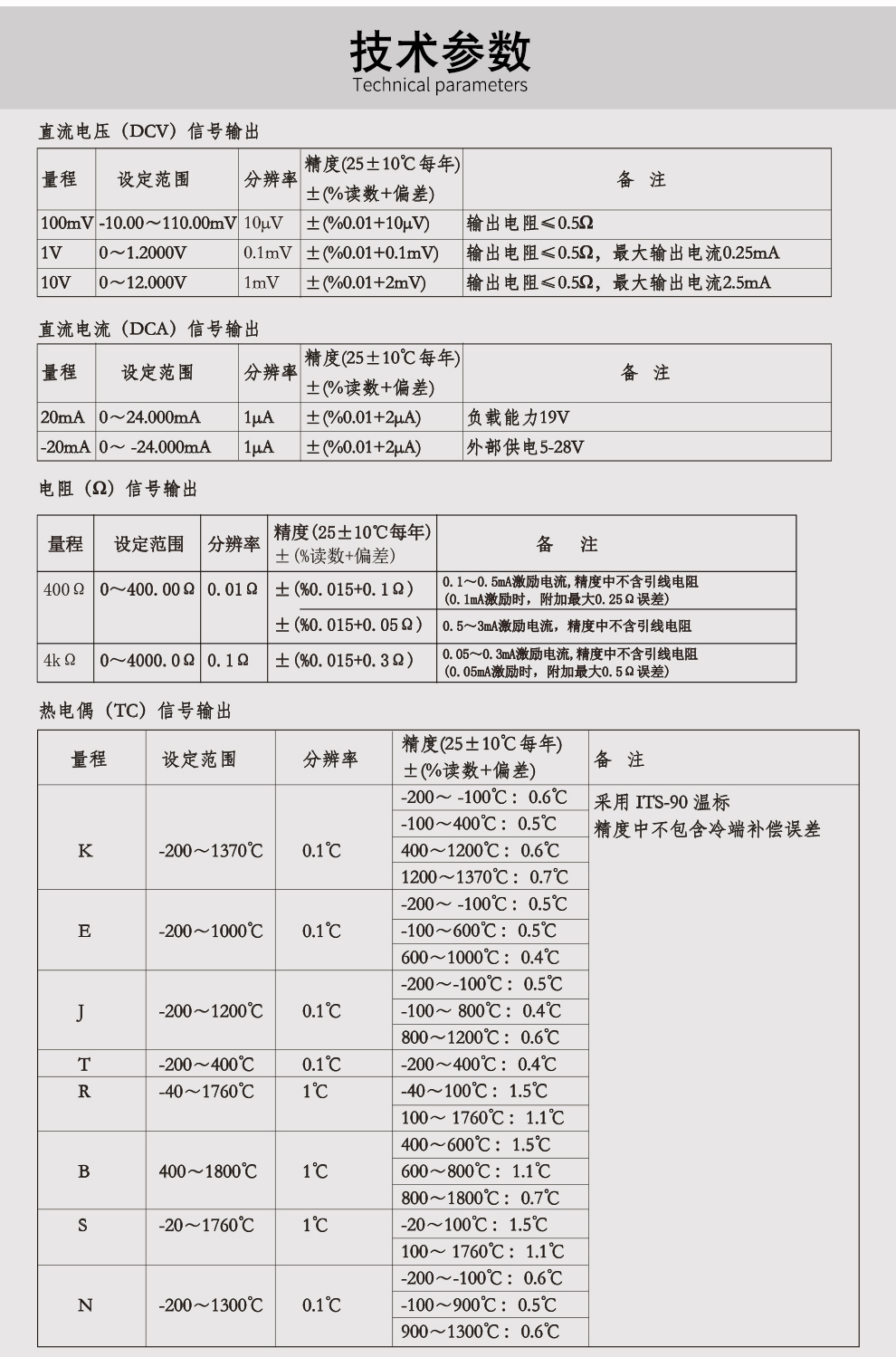
OHR-B00信号发生器是一种多功能、高精度的便携式信号源,可用于输出各种规格的工业信号,支持电流、电压、电阻、频率、热电偶、热电阻等多种信号输出类型,最高精度可达0.01%F.S,是工业现场、实验室以及各类仪表制造商必备的计量测试工具。
咨询电话 0599-7821390
商务邮箱 hrgs@hrgs.com.cn
直接扫码
广发(中国)微信客服
广发(中国)官方微信
fjhongrun