广发(中国)组态软件

广发(中国) HRStudio 组态软件采用开放式密钥,无点数限制;凡购买广发(中国)带有 RS485/232、以太网通讯功能的仪表,单笔订单满 3800 元,即免费赠送HRStudio 组态软件及对应密钥;若您在组态过程中有任何疑问,我们提供专业远程协助。

NHR产品选型 OHR产品选型 HR产品选型
产品选型 数显仪表与温控器 无纸记录仪 嵌入式采集工作站 隔离器与温度变送器 环境监测仪表 水质在线监测仪 电量仪表与变送器 可编程控制器 过程校验仪 传感器与变送器
隔离器与温度变送器 信号隔离器 温度变送器 配电器 导轨式人工智能温控器 频率转换器 开关量隔离器 隔离通讯转换器 隔离式安全栅 手持式编程器 智能温度变送器(圆卡) 隔离温度变送器(圆卡) HART温度变送器(圆卡) LCD温度变送器(圆卡) 一体化温度变送器(圆卡) 线性电阻(磁翻板)变送器(圆卡)

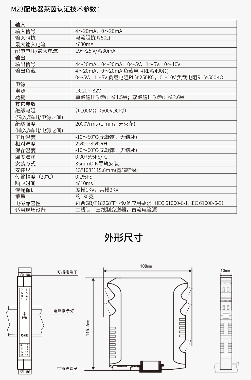
OHR-M23系列配电器

OHR-M23系列配电器给二、三线制变送器提供隔离的电源电压,将变送器产生的直流电流信号经过隔离传送,转换成所需的信号给其它仪表。可以与单元组合仪表及DCS、PLC等系统配套使用,给予现场仪表信号隔离、信号转换、信号分配、信号处理等,从而提高工业生产过程自动控制系统的抗干扰能力,保证系统的稳定性和可靠性。

联系我们

咨询电话 0599-7821390

商务邮箱 hrgs@hrgs.com.cn

直接扫码

广发(中国)微信客服

广发(中国)官方微信

fjhongrun

© 版权所有 广发官网平台 闽ICP备05020565号-1