广发(中国)组态软件

广发(中国) HRStudio 组态软件采用开放式密钥,无点数限制;凡购买广发(中国)带有 RS485/232、以太网通讯功能的仪表,单笔订单满 3800 元,即免费赠送HRStudio 组态软件及对应密钥;若您在组态过程中有任何疑问,我们提供专业远程协助。

NHR产品选型 OHR产品选型 HR产品选型
产品选型 数显仪表与温控器 无纸记录仪 嵌入式采集工作站 隔离器与温度变送器 环境监测仪表 水质在线监测仪 电量仪表与变送器 可编程控制器 过程校验仪 传感器与变送器
隔离器与温度变送器 信号隔离器 温度变送器 配电器 导轨式人工智能温控器 频率转换器 开关量隔离器 隔离通讯转换器 隔离式安全栅 手持式编程器 智能温度变送器(圆卡) 隔离温度变送器(圆卡) HART温度变送器(圆卡) LCD温度变送器(圆卡) 一体化温度变送器(圆卡) 线性电阻(磁翻板)变送器(圆卡)

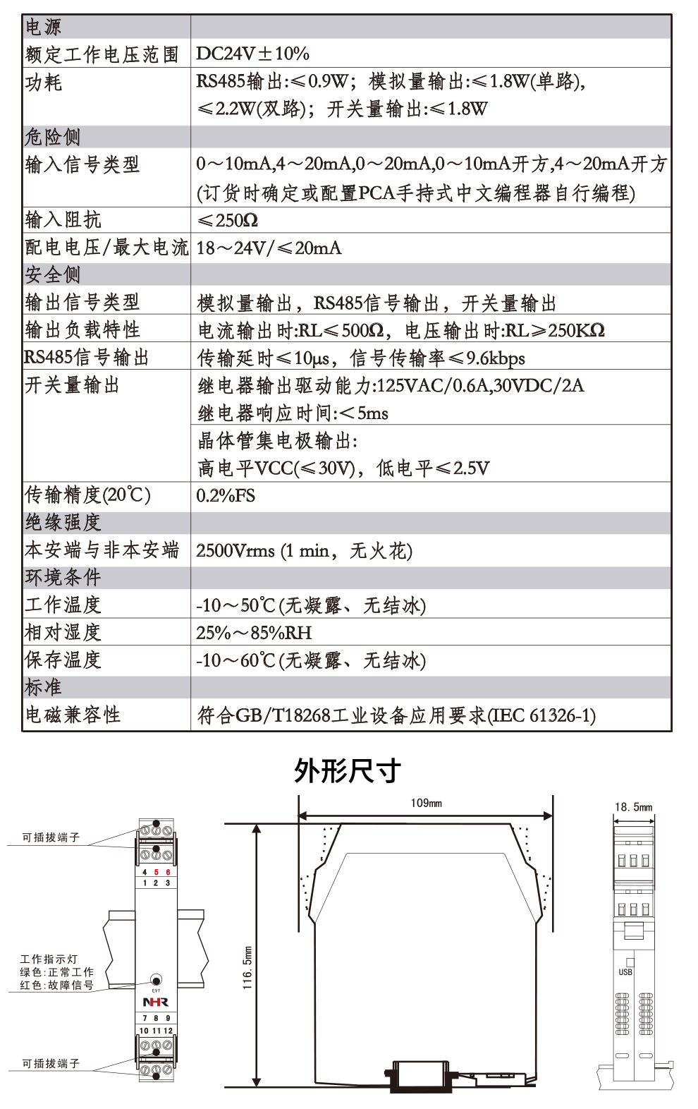
OHR-A33系列变送器输入检测端隔离栅

OHR-A33系列变送器输入检测端隔离栅给危险区的变送器提供电源,变送器产生的电流信号隔离转换成对应的线性电压或电流信号输出至安全区,或通过RS485通迅、开关量输出方式隔离传输至安全区,并可给危险区的变送器提供隔离电源,该产品需独立供电,输入/输出/电源三隔离。可用在二、三线制变送器设备。

联系我们

咨询电话 0599-7821390

商务邮箱 hrgs@hrgs.com.cn

直接扫码

广发(中国)微信客服

广发(中国)官方微信

fjhongrun

© 版权所有 广发官网平台 闽ICP备05020565号-1