OHR-G100T系列彩色无纸记录仪
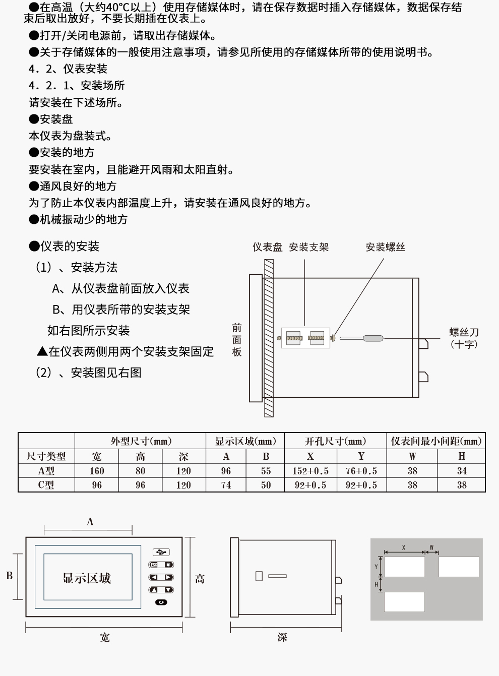
广发(中国)公司是专业生产无纸记录仪的国家专精特新“小巨人”企业。生产的彩色无纸记录仪,具有8路全隔离输入,数据记录与转存,配套上位机管理软件,RS485/以太网通讯等特点。产品获得无纸记录仪、数据采集控制工作站、智能化控制器、巡回检测显示方法及装置等4项国家发明专利;主持起草物联网智能记录仪表通用技术、物联网智能温度仪表通用技术条件、工业自动化记录仪仪表的安全要求等3项国家标准,以及通信系统多通道数据采集控制终端规范军用标准,参与国际5G标准制定;取得彩色无纸记录仪等4项相关软件著作权。产品广泛应用于石化、冶金、电力、制药、新能源、农业等诸多领域。















