客户服务

02月22日 2020

电量变送器是什么?电量变送器工作原理解析

发布者:广发(中国)公司

电量变送器的定义

  电量变送器是一种将被测电量(交流电压、电流、有功功率、无功功率、有功电能、无功电能、频率、相位、功率因数、直流电压、电流等)转换成按线性比例直流电流或电压输出(电能脉冲输出)的测量仪表。它广泛应用于电力、石油、煤炭、冶金、铁道、市政等部门的电气测量、自动控制以及调度系统。

     电路变送器的工作原理

  一、基本测量电路

  电量变送器的基本测量电路一般由以下几个部分组成:

                                电量变送器测量电路组成图

1.信号输入隔离

  由于我们需要测量的电量一般都为高电压(57.7-380V)和大电流(1A-10A),如果不对它们进行隔离和把幅度减小,将对人身安全和设备造成严重威胁,信号输入隔离一般采用电压互感器(PT)和电流互感器(CT),对这一部分的基本要求为:

  a. 信号隔离的耐压绝缘性能要好,耐压应》2kV.

  b. 线性要好,由于PTCT都采用铁磁材料加工而成,它们的线性不好,在以后的电路中是很难补偿的,因此,一定要选用优质材料和先进工艺制造的高线性度PTCT,才能保证变送器测量的线性度。

  c. PT、CT的输出负载要小,由于变送器使用的PTCT的铁芯截面受体积限制都比较小,因此随着输出负载的增大,其非线性将急剧增加,一般PT的输出电流应《1mACT的输出电流应《10mA(一般为5mA左右),取样电阻应《200Ω。

  2.电量转换电路

  这部分是电量变送器的核心,通过它把不同的被测电量转换成相应的输出电量,相应于不同的被测电量而采用不同的转换电路。具体电路将在后面再详细介绍。

  3.输出电路

  这部分电路的作用是输出变送器需要输出的电量,它的基本要求是:

  a.具有一定的带负载能力;

  b.恒定输出。即在一定的负载范围内,其输出值不受负载变化的影响,即在电压输出时,应为恒压输出,电流输出时应为恒流输出。

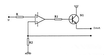
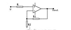
  输出的一般电路如下:

电压输出图

电流输出图

  图中N为运算放大器,V为晶体三极管,扩大运算放大器的输出电流。

  有的变送器有可能该电路和电量转换电路合并在一起。

  二、交流电压、电流变送器

  交流电流、电压变送器除了输入隔离部分有差别外,其他电路基本一样,输入隔离部分的电路如下:

                  电压变送器

                  电流变送器

二者之间的差别为电压变送器采用PT,其二次输出电压可直接输入下一级转换电路,而电流变送器是采用CT,其二次输出电流先经R变换为电压后再输入下一级转换电路,其好处为只要选择合适的二次电流值和R,后面的电路可和电压变送器完全一致。

  电压、电流变送器的测量目前大都采用平均值转换,其基本电路如下:

这实际上是一个精密全波整流电路,它的特点是线路简单和线性度好,但缺点是波形失真度对它的影响较大。这在某些波形失真较大的电路中(如负载为可控硅等),和采用真有效值变换的测量仪器比对时,有可能产生一定的误差,这在现场在线校验这类变送器时,如果标准表是真有效值变换的其误差就有可能和实验室测试的结果不一致,因此对该类变送器的校准,应在波形失真度《0.2%的电源上进行。

  三、有功功率变送器

  1.单相有功功率变送器

  这类变送器虽然应用较少,但是它是三相有功/无功功率变送器的基础,因此先介绍它的基本原理,它的基本电路如下:

电路中,PT、CT和电压电流变送器一样,作为输入隔离,PT的二次电压和CT的二次电流经变换成电压后都输入至乘法器,使乘法器输出的直流电压

  式中:Up --- 乘法器输出电压

  Un --- PT二次电压

  Ui --- CT二次电流经R变换后的电压

  φ--- Uu和Ui的夹角

  就达到了功率变换为直流电压的目的,目前,功率变送器中大都采用的是时分割乘法器。这类乘法器的特点是:测量频率较低(一般《1kHz),但是其线性度相当好,最高可达到0.01%以上,这对于电网电量的测量是相当合适的。实际上,高标准的功率、电能标准器也大都采用了这类乘法器,电路中的相位补偿电路就是对变送器功率因数影响的补偿,一般都用RC元件加在电压回路中。

  2.三相有功功率变送器

  三相有功功率变送器又可分为三相三线(三相二元件)和三相四线(三相三元件)二类。其测量原理是相同的,仅是其接线方式不同。

  三相有功功率变送器实际上是把二个(二元件)或三个(三元件)单相功率变送器的输出电压相加,从而得到三相功率变送器,其基本电路如下:

四、无功功率变送器

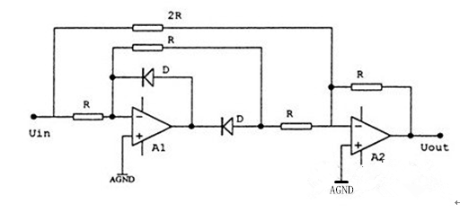
  无功功率的测量,根据接线方式的不同,一般可分跨相法和90°移相法两种。

  1.跨相90°无功功率测量

  跨相90°无功功率的测量,其基本原理和有功功率测量相同,仅是改变了电压的输入方式,电路如下:

乘法器的输出电压

  Uout=kUbcIacosφ

  式中k为比例系数,可由电路设定。

  因Ubc滞后于Ua 90°,因此公式可变换为

  Uout=k√3 UaIacos90°-φ)= k3 UaIasinφ

  即Up正比于A相的无功功率,由于跨相法的输入线电压幅值为相电压的√3 倍,因此在变送器内部可调整电路参数,使比例系数k‘调整为有功功率测量系数k值的1/3,则仍可保证原有转换比例系数不变,如果用有功功率变送器改变外接线的方法来测量无功功率,则必须引入相应的接线系数,这在相应的检定规程中已有规定。

  2.移相90°无功功率测量

  移相90°无功功率测量又称正弦法无功功率测量,其基本电路如下:

       乘法器输出电压

  Uout=kUaIacos(90°-φ)= kUaIasinφ

  90°移相电路一般采用RC元件,使移相电路的输出电压滞后于输入电压

  90°。

  3.二种功率测量电路的比较

  跨相90°无功功率测量,由于输入的电压、电流不为同一相,因此,三相电压的不对称的影响量较大。

  移相90°无功功率测量的电压回路由于采用了RC元件,因此输入频率的影响量较大。

  二种测量电路的特点见下表

  目前,国内的无功功率测量仍大部分采用跨相90°无功功率变送器。由于无功功率测量的特点,在校准和检测时应注意以下几点,以免带来较大的附加误差:

  a.被测变送器和标准表应为采用同一种测量方式。

  b.如确实保证被测变送器和标准表测量方式一致,则应把测试电源的三相对称度尽可能调至接近完全对称。

  五、电路结构

  电量变送器的电路结构一般可分为分立元件(第一代,如早期的FS系列变送器)、小规模集成电路(第二代,如改进后的FS系列变送器)、ASIC电路(第三代,如FPGP系列变送器)。其中分立元件的变送器由于稳定性、可靠性差已逐步淘汰,目前大量使用的为第二代、第三代电路。由于ASIC电路(第三代)具有与前二代电路无可比拟的优点,得到越来越广泛的应用,在这里作一简单介绍。

  ASIC是“特制集成电路”的英文缩写,它是八十年代末迅速发展起来的一项高技术产品。从设计思想、研制手段,直到测试方法,使与传统的通用集成电路有质的区别,是将超大规模集成电路(VLSI)的工艺技术、计算机辅助设计(CAD)、自动测试技术(ATE)三者结合的丰硕成果。应用在变送器上,即为变送器专用厚膜电路。ASIC电路的变送器把变送器的转换电路和输出电路(即大部分电子电路)全部集成到一块定制的芯片上,大大减少了元器件的数量,整个变送器仅有CTPT、电源、大电容、ASIC芯片等少数几个器件,从而可大大提高整个变送器的可靠性和长期稳定性。

*本文内容采编自网络,版权归原作者所有,如有侵犯请联系小编18960650707,我们将在24小时内删除!*

咨询电话 0599-7821390

商务邮箱 hrgs@hrgs.com.cn

直接扫码

广发(中国)微信客服

广发(中国)官方微信

fjhongrun

© 版权所有 广发官网平台 闽ICP备05020565号-1