客户服务

02月24日 2020

广发(中国)NHR-XTRM温度远传监测仪在水泥行业中的应用

发布者:广发(中国)公司

一、摘要
       NHR-XTRM温度远传监测仪采用先进的微处理器进行智能化控制,根据用户的需要,可将指示仪表、记录仪表、调节器等与DC24V电源串联在XTRM仪表的输出回路,输出与回路最高温度成正比的电流,用作温度的指示、记录或调节。用户还可通过安装在面板上的按键逐个查阅相对应回路的温度。该产品巡回检测最多可达四路测量信号,并能对温度信号进行高精度的线性校正,同时该产品的输出信号可直接输入到计算机系统模拟输入接口,可实现中央控制室监控管理 。外壳采用铝合金材质,整机采用壁挂式结构(宽×高×深=110×160×60mm),安装十分简便。
二、产品的市场背景

       温度是工农业生产过程中最常用的的参数之一,温度的检测与变送直接与安全生产、产品质量、生产效率、节约能源等重大经济指标相联系。在许多场合,诸如食品、化工、环保、能源、石油、制药、科研等领域,对温度的检测与变送已经成为工农业生产过程中必不可少的环节。NHR-XTRM系列温度远传监测仪,首先被应用在水泥生产监控系统中。上世纪九十年代初,上海某水泥厂技改工程从丹麦引进主要生产系统的关键设备,建成日产二千吨熟料的窑外分解生产线。该厂采用ABB公司ASEA ·MASTER集散 控制系统进行生产管理和控制,要求国产设备的运行信息也集中于系统统一监控,但当时的仪表与该计算机系统难以匹配,为此,必须 开发新产品。行业专家通过共同调研该厂引进的现场仪表、 计算机接口及国产设备的信号,提出了相关要求。经艰辛攻关,有关科研部门完成了XTRM系列多回路温度远传监测仪研制,成功将国产设备的信号与该控制系统相匹配,完善 了全厂生产集中控制,取得了很好的实用效果。这个新产品,特别适用于水泥生产过程的监控,因此,该产品在全国大型、中型干法水泥厂的设计和生产中得到了广泛应用。
三、产品的技术原理
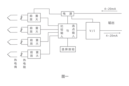
       NHR-XTRM系列温度远传监测仪是二线制多回路温度变送器。它可接受多点热电阻信号,并将各种生产过程中固体、液体、气体的温度显示和 变送远传。该仪表安装在被测对象附近,用屏蔽电缆将各回路的热电阻的测温信号连至该 仪表各自独立的前置放大器,前置放大器将微弱变化信号放大处理,输送到比较输入电路(选择高温信号)或选点输入电路,进行信号选择。被选中的回路信号,再经过电压/电流转换单元处理,将前置放大器的输出电压转换成DC 4~20mA电流信号输出。如选择测温范围0~150则对应DC 4~20mA输出。 具体原理见图一所示。

四、产品的应用
       1、NHR-XTRM系列温度远传监测仪用于煤磨电收尘器、大型煤粉仓温度检测
      水泥厂一些现场仪表设计情况,如煤磨电收尘器,收尘器各底部有煤沉积,如图二(1)所示。给窑头、分解炉供 煤粉的大型煤粉仓,如图二(2)所示。这类设备,为防止煤粉自燃、防爆,确保设备安全,必需设置多个温度监控。现场有温度显示 ,巡回人员可以了解设备内部情况;中央控制室显示和高温报警,作为重要参数管理
 
       煤磨收尘器、大型煤粉仓的监控仪表设计如图三所示。

      方案一:如图三(1)所示,每个热电阻传感器配置一个二线制温度变送器,分别用二芯屏蔽电缆引至计算机标准模拟接口,在中央控 制室监控。
      方案二:如图三(2)所示,每个热电阻传感器分别用三芯屏蔽电缆引至计算机热电阻接口,在中央控制室监控。
     方案三:如图三(3)所示,四个热电阻传感器连接到现场XTRM仪表,再用一根二芯屏蔽电缆引至计算机标准模拟接口,在中央控制 室监控。
     根据以上三个设计方案,得出下面结论:

     1、前面二个方案的共同特点是各个测温点自成一个独立的回路,在中央控制室屏幕上都有显示,从而带来所用电缆多、接口多,而且在现场没有温度显示,不能给岗位工一个提示。
    2、方案一现场变送器产生故障,增加了安装和日常维护。
    3、方案二省掉了变送器,但由于煤磨电收尘器和煤灰仓往往离车间控制站很远,热电阻的信号变化很微弱,远距离的信息传递不见得 很合理。而更主要的是所应用的计算机接口电路,不是一般压力变送器、温度变送器电流变送通用的4~20mA Dc标准模拟接口电路, 是专用的热电阻接口电路,价格昂贵、通用性差,用了它,使得计算机系统的硬件及软件变得复杂,给系统安装、调试及维护带来更多 的工作。
    4、比较三个方案,方案三较简单。用一个NHR-XTRM-4-20仪表,四个热电阻传感器的温度不仅都可以在现场显示,而且传递到在中央 控制室监控的仅是四个信号中的较高温度点,这是NHR-XTRM仪表独特之处。因为操作员并不需要知道煤磨电收尘器或煤灰仓内温度分布情 况,而必须要知道该设备内的较高温度是多少?是否超越临界温度?如煤粉仓,不管哪一点温度大于60,都要高温报警,温度大于 70时,不但报警还要联锁,保证安全,报警后派人到现场处理,也可查询各点的温度,判断事故情况。所以,同一设备,在中央控制 室设置一个高温报警信号就可以了。很明显,该方案是较省仪表、省电缆、省计算机接口的设计。这样的设计方案,在国内外大、中型 水泥厂的设计已广泛采用。
      综合上述比较,可以得出这样的结论:如果同一设备需要设置多点温度监控(如2~4点),且采用相同的测温元件(如铂电阻),相同 的测量范围(如0~150),则采用XTRM仪表的设计是较合理的方案,是较省投资的方案。

     2、广发(中国)仪表配置
     1)NHR-XTRM-4-20用于测量各种轴承温度
     a)辊压机轴承温度测量。如水泥粉磨辊压机,每小时通过160吨物料,轴承配置有4个铂电阻传感器,应选用NHR-XTRM-4-20型仪表,当轴承 温度T>46时在中央控制室报警,当T>50时报警并联锁,确保设备安全。
     b)回转窑托轮轴承温度测量。Φ3.75×57M
回转窑,有三组托轮,每组托轮配置有4个铂电阻传感器,应选用NHR-XTRM-4-20型仪表监控。
      2)NHR-XTRM-2-15用于测量各种轴承温度
    a)一个水泥厂往往有许多大型的电机,如原料磨电机、水泥磨电机等,还有许多大型风机,如原料磨循环风机、窑 尾排风机、窑篦冷却风机等。工人较关心其轴承温度,希望在机旁有显示,中央控制室能监控。象这类设备一般选用NHR-XTRM-2-15型仪表。
    b)大型磨机的轴承温度测量。如原料磨、水泥磨、煤磨等,磨机的进料口、出料口的轴承一般各配置有二个热电阻传感器测温,一般 选用NHR-XTRM-2-15型仪表。

     3)NHR-XTRM-2-15用于测量高压电机的绕组温度
    水泥厂有许多大型高压绕线型电动机(磨机、风机等),在电机制造时已配置有定子测温元件(每相二个),电机运行时必须 监控,当绕组温度大于120时报警。
    3、NHR-XTRM系列温度远传监测仪的特点
    1)NHR-XTRM仪表具有多路输入一路高选输出的特点,它能同时对多个测温点进行测量,并自动将多个被测点中温度较高的一个点的量值 显示并以4~20mA的标准电流信号输出。同时它具备选择按键,用户在需要时可通过回路按键查看对应测温点的温度。
    2)NHR-XTRM仪表的关键元器件从国外进口,整机设计合理,具有较高的稳定性和可靠性;(经某厂技改工程十多年的长期使 用,至今没有损坏)仪表密封性能好,适合高温多粉的水泥厂环境中使用。
    3)工作电压范围宽。由于XTRM仪表内部专门设置了一个电源部件,在外电源13~36伏范围波动中能自我调整,以保证仪表在工况恶 劣供电条件下能正常工作。
    4)具有良好的抗射频干扰性能。在XTRM仪表设计中采用了多项抗射频干扰技术,经上海仪器仪表自控系统检验测试所依据GB18268- 2000《测量、控制和实验室用的电设备电磁兼容性要求》试验,在10V/m(80MHz~1000 MHz)的场强下它的变化范围小于0.3%。 因而它能有效抑制来自现场的诸如对讲机之类的射频干扰。
    4、NHR-XTRM系列温度远传监测仪图片

 

五、结论
      NHR-XTRM系列温度远传监测仪表是一种新颖多功能的,节能的,值得推广的仪表。它不仅在水泥厂生产中得到广泛的应用,而在冶金、化工、电力等 工业领域中也能占有一席之地。

咨询电话 0599-7821390

商务邮箱 hrgs@hrgs.com.cn

直接扫码

广发(中国)微信客服

广发(中国)官方微信

fjhongrun

© 版权所有 广发官网平台 闽ICP备05020565号-1