广发(中国)组态软件

广发(中国) HRStudio 组态软件采用开放式密钥,无点数限制;凡购买广发(中国)带有 RS485/232、以太网通讯功能的仪表,单笔订单满 3800 元,即免费赠送HRStudio 组态软件及对应密钥;若您在组态过程中有任何疑问,我们提供专业远程协助。

NHR产品选型 OHR产品选型 HR产品选型
产品选型 数显仪表与温控器 无纸记录仪 嵌入式采集工作站 电量仪表与变送器 隔离器与温度变送器 过程校验仪 传感器与变送器 可编程控制器 水质在线监测仪 环境监测仪
电量仪表与变送器 电压/电流表 电能质量分析记录仪 交流电压电流表 单相电量表 三相综合电量表 交直流电流电压变送器 电量变送器 漏电流变送器 电压电流越限报警器 无功补偿控制器 相序监控继电器 频率与转速表 定时器 计时器 计数器 电厂专用转速表

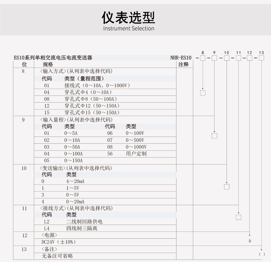
NHR-ES10系列单相交流电压电流变送器

NHR-ES10系列单相交流电压/电流变送器对电网和电路中的交流电压或电流信号进行实时测量,将其变换为直 流电压电流信号输出;具有高精度、高隔离、低漂移、低功耗、体积小、响应快、抗干扰能力强等特点。本产品 采用标准DIN35mm导轨安装,适用于电源设备、电力网监测自动化系统、工控监测系统、铁 路信号系统等。

咨询电话 0599-7821390

商务邮箱 hrgs@hrgs.com.cn

直接扫码

广发(中国)微信客服

广发(中国)官方微信

fjhongrun

© 版权所有 广发官网平台 闽ICP备05020565号-1