广发(中国)组态软件

广发(中国) HRStudio 组态软件采用开放式密钥,无点数限制;凡购买广发(中国)带有 RS485/232、以太网通讯功能的仪表,单笔订单满 3800 元,即免费赠送HRStudio 组态软件及对应密钥;若您在组态过程中有任何疑问,我们提供专业远程协助。

NHR产品选型 OHR产品选型 HR产品选型
产品选型 数显仪表与温控器 无纸记录仪 嵌入式采集工作站 电量仪表与变送器 隔离器与温度变送器 过程校验仪 传感器与变送器 可编程控制器 水质在线监测仪 环境监测仪
无纸记录仪 液晶无纸记录仪 液晶智能温控器 液晶手动操作器 液晶流量积算仪 液晶容积记录仪 液晶多路巡检仪 液晶天然气积算仪 彩色无纸记录仪 彩色调节无纸记录仪 彩色流量无纸记录仪 触摸彩色无纸记录仪 触摸彩色调节无纸记录仪 触摸彩色流量无纸记录仪 触摸屏数显表 触摸屏温控器 触摸屏流量仪

NHR-7100T系列彩色无纸记录仪

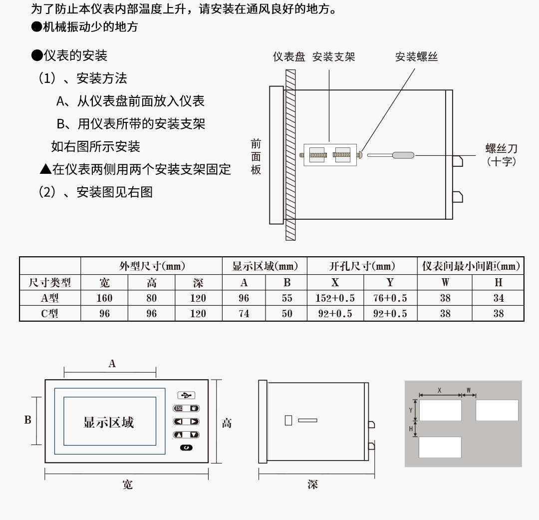
NHR-7100T系列彩色无纸记录仪是一款体积小巧、功能强大的无纸记录仪。采用大屏高清真彩液晶屏为显示 窗口,使产品具有显示清晰、色彩丰富等特点。内核采用高速、高性能32位ARM微处理器,操作简便、响应快 ,记录存储与控制功能强大,是一款功能齐全、操作方便、精确可靠、高性价比的产品,在各行各业中得到广泛 应用。

咨询电话 0599-7821390

商务邮箱 hrgs@hrgs.com.cn

直接扫码

广发(中国)微信客服

广发(中国)官方微信

fjhongrun

© 版权所有 广发官网平台 闽ICP备05020565号-1