企业简介
广发(中国)概览
智能制造
测试中心
知识产权
国家标准
广发(中国)资质
智能客服
广发(中国)文化
领导关怀
广发(中国)荣誉
社会贡献
人大履职
新闻动态
党建之家
产品中心
产品订制
大事记
经典案例
典型用户
常见问题
资料下载
人才理念
人才招聘
联系方式
物资招标
在线留言
试用申请
English
NHR-X33系列导轨式智能配电器
NHR-X32系列导轨式智能温度变送器
导轨式智能配电器
智能配电器
NHR-X33系列
广发(中国)组态软件
广发(中国) HRStudio 组态软件采用开放式密钥,无点数限制;凡购买广发(中国)带有 RS485/232、以太网通讯功能的仪表,单笔订单满 3800 元,即免费赠送HRStudio 组态软件及对应密钥;若您在组态过程中有任何疑问,我们提供专业远程协助。
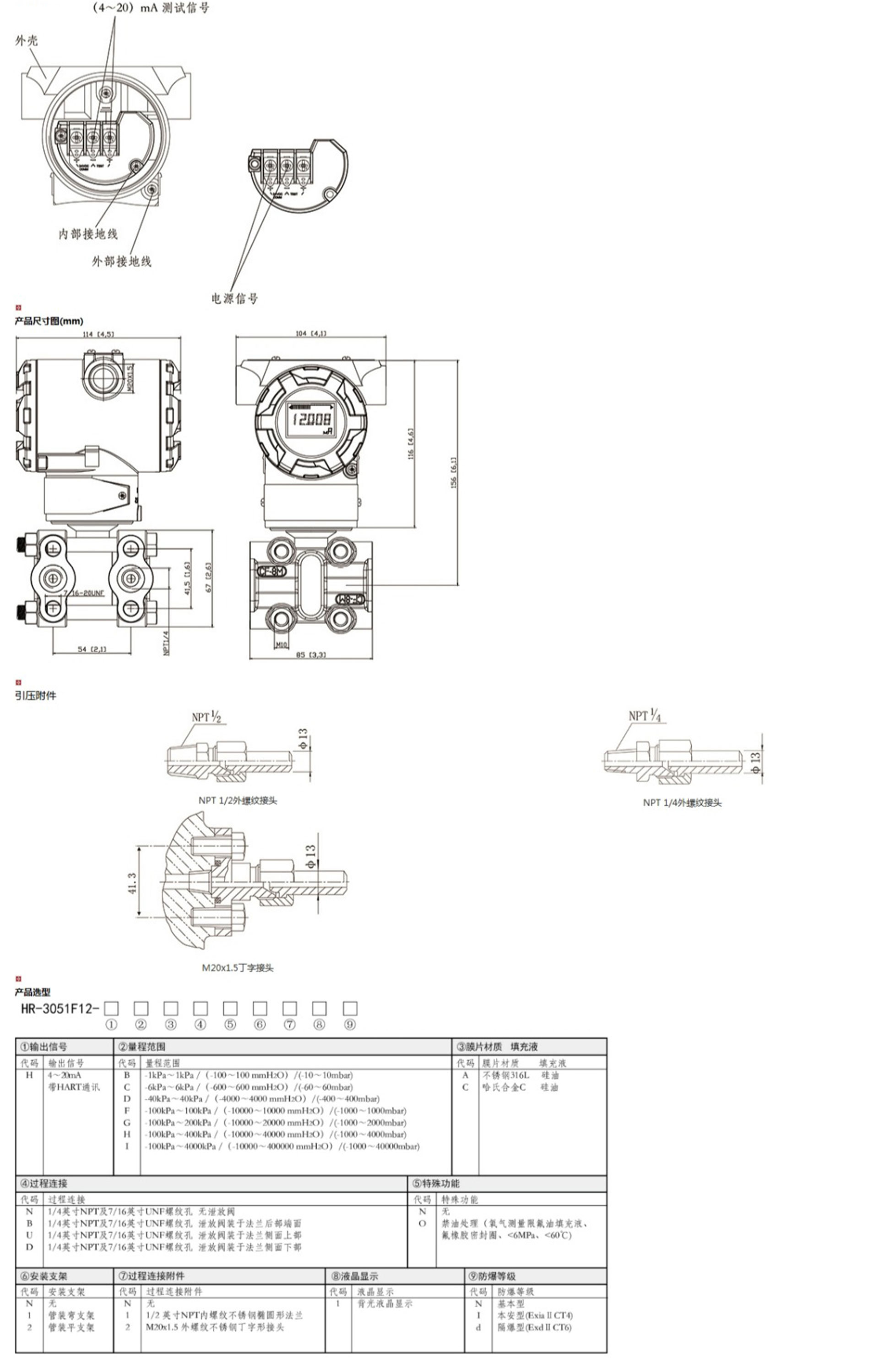
HR-3051F12智能单晶硅夹板式压力变送器
HR-3051F12智能单晶硅夹板式压力变送器能准确的测量压力,并把它转换成4~20mADC的输出信号。该变送器可通过三按键本地操作,或通用手操器、组态软件、以及手机APP远程操作,在不影响4~20mA DC的输出信号的同时,进行显示与组态。
咨询电话 0599-7821390
商务邮箱 hrgs@hrgs.com.cn
直接扫码
广发(中国)微信客服
广发(中国)官方微信
fjhongrun